Produse
Supapă cu glob din oțel inoxidabil
  • Supapă cu glob din oțel inoxidabilSupapă cu glob din oțel inoxidabil

Supapă cu glob din oțel inoxidabil

Supapă cu glob durabil J41H, J41Y, J41W din oțel inoxidabil produs de JQF Valve. Partea sa de deschidere și închidere este o clapă cilindrică a supapei, suprafața de etanșare este plată sau conică, iar clapeta supapei se mișcă liniar de-a lungul liniei centrale a fluidului. Supapa de închidere din oțel inoxidabil este potrivită numai pentru deschiderea completă și închiderea completă. În general, nu este utilizat pentru a regla debitul. Poate fi reglat și accelerat atunci când este personalizat.
Foshan Jinqiu Valve Co., LTD. este un producător de supape glob din oțel inoxidabil de înaltă calitate, care integrează design, dezvoltare, producție, vânzări și service. Produsele noastre principale includ diferite supape de control, supape electrice, supape pneumatice, supape solenoide, supape manuale, actuatoare și accesorii pentru supape.
Supapa noastră cu glob din oțel inoxidabil este o supapă cu oțel cu un corp turnat din oțel inoxidabil, conexiuni cu flanșe la ambele capete și o structură cu robinet. Funcția sa de bază este de a regla cu precizie debitul sau de a opri în mod fiabil mediul în conducte.
Datorită rezistenței sale excelente la coroziune și a performanței de etanșare fiabile, a devenit una dintre supapele preferate pentru medii corozive sau aplicații de înaltă curățenie în industria chimică, petrochimică, alimentară și farmaceutică.
Customers trust JQF valves' high quality, reliable performance, and good and comprehensive customer service. We will continue to innovate to provide first-class valve solutions.

1. Structură simplă: Designul supapei cu glob din oțel inoxidabil este simplu, făcând fabricarea și întreținerea convenabile și eficiente.
2. Răspuns rapid: Cursa scurtă de lucru permite deschiderea și închiderea extrem de rapidă a supapei.
3. Etanșare durabilă: efect de etanșare excelent, rezistență minimă la frecare și durată lungă de viață.

Standard executiv

Specificații de proiectare: GB / T 12235
Lungimea structurii: GB / T 12221
Conexiune flanșă: JB / T 79
Test și inspecție: JB / T 9002
Identificarea produsului: GB / T 12220
Specificații de livrare: JB / T 7928

Parametri de performanță

model J41H-16C~160C J41Y-16C~160C J41W-16P~160P
Presiunea de lucru (MPa) 1,6~16,0
temperatura corecta (℃) ≤425 ≤150
Medii adecvate Apă, abur, ulei Mediu corosiv slab
material Caroseria, capota Oțel carbon Oțel inoxidabil crom nichel-titan
Tija supapei Oțel inoxidabil cromat Oțel inoxidabil crom nichel-titan
Suprafata de etansare Aliaje de suprafață pe bază de fier Aliaj de întărire Materialul corpului
umplutură Grafit de azbest, grafit flexibil, PTFE

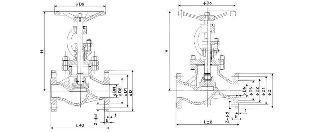
Forma principală și dimensiunea conexiunii

Diametru nominal Dimensiunile principale și dimensiunile de conectare
L D D1 D2 b Z-d H D0
J41H-16C
15 130 95 65 45 14-2 4-Φ14 170 120
20 150 105 75 55 14-2 4-Φ14 190 140
25 160 115 85 65 14-2 4-Φ14 205 160
32 180 135 100 78 16-2 4-Φ18 270 180
40 200 145 110 85 16-3 4-Φ18 310 200
50 230 160 125 100 16-3 4-Φ18 358 240
65 290 180 145 120 18-3 4-Φ18 373 240
80 310 195 160 135 20-3 8-Φ18 435 280
100 350 215 180 155 20-3 8-Φ18 500 300
125 400 245 210 185 22-3 8-Φ18 614 320
150 480 280 240 210 24-3 8-Φ23 674 360
200 600 335 295 265 26-3 12-Φ23 811 400
250 650 405 355 320 30-3 12-Φ25 969 450
300 750 460 410 375 30-3 12-Φ25 1145 580
350 850 520 470 435 34-4 16-Φ25 1280 640
400 980 580 525 485 36-4 16-Φ30 1452 640
J41H-25C
15 130 95 65 45 16-2 4-Φ14 170 120
20 150 105 75 55 16-2 4-Φ14 190 140
25 160 115 85 65 16-2 4-Φ14 205 160
32 180 135 100 78 18-2 4-Φ18 270 180
40 200 145 110 85 18-3 4-Φ18 310 200
50 230 160 125 100 20-3 4-Φ18 358 240
65 290 180 145 120 22-3 8-Φ18 373 240
80 310 195 160 135 22-3 8-Φ18 435 280
100 350 230 190 160 24-3 8-Φ23 500 300
125 400 270 220 188 28-3 8-Φ25 614 320
150 480 300 250 218 30-3 8-Φ25 674 360
200 600 360 310 278 34-3 12-Φ25 811 400
250 650 425 370 332 36-3 12-Φ30 969 450
300 750 485 430 390 40-4 16-Φ30 1145 580
350 850 550 490 448 44-4 16-Φ34 1280 640
400 980 610 550 505 48-4 16-Φ34 1452 640

Imaginea structurii

Hot Tags: Supapă cu glob din oțel inoxidabil, China, Personalizat, Calitate, Durabil, Avansat, Producător, Furnizor, Fabrică, în stoc
Trimite o anchetă
Informatii de contact
  • Abordare

    No.1, North 1st Road, Stainless Steel New Town, Lecong Steel World West Road, districtul Shunde, orașul Foshan, provincia Guangdong, China

Pentru întrebări despre supape de tip robinet, supape cu glob și supape de reținere sau lista de prețuri, vă rugăm să ne lăsați e-mailul și vă vom contacta în termen de 24 de ore.

X
Folosim cookie-uri pentru a vă oferi o experiență de navigare mai bună, pentru a analiza traficul site-ului și pentru a personaliza conținutul. Prin utilizarea acestui site, sunteți de acord cu utilizarea cookie-urilor. Politica de confidențialitate
Respinge Accepta